Mechanical Design, Machine Design machines that make machines

Digging for ideas design thinking

Teamwork work together

The machine we want to build should be build as a group. Please follow the link below if you want to see the rest of our group study.

Link to group assignment

Tools what we used to fulfill the task

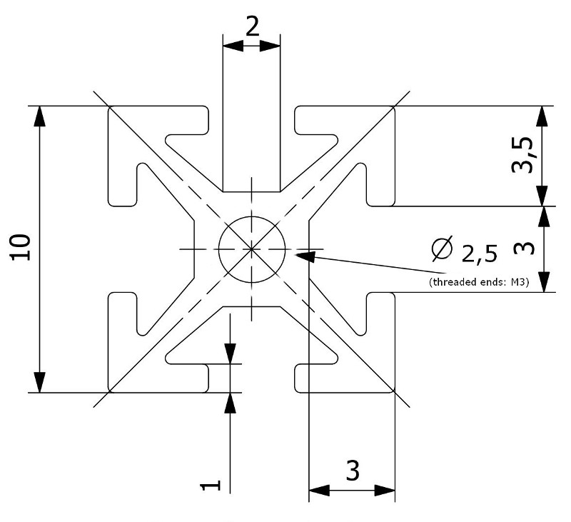
Makerbeam rapid building structures

Makerbeam is a toolkit of various aluminium profiles that can be easy attached to each other by using specific screws that fit into the profiles. There are also a lot of add-on parts that can be used to build all kind of stuff. For example there a bearings, joining plates in several angles and linear bearings. All together is a very universal toolkit to build all kind of structures, machines and frames for your projects.

hterm
hterm

Starting this weeks project we were using the Makerbeam rapid prototyping dev kit. At first we were testing some methods and start a construction to become a feeling about how large the machine will be and what is possible with this kit.

hterm
hterm

Designing the mounts using Fusion again

With the frame set up whats left are the mounts for the electronic parts like the brushless motor and and the stepper motors. I used Fusion360 again to design them. First I downloaded the footprint of the Makerbeam and and the Nema17 motors from the internet. After creating a new project I added the image of the Makerbeam footprint to the x/y plane. In the dialog that appear when adding the image I also told fusion to set the opacity of the image to 50% to be able to see through the image and to draw on it easier to the the lines I drew.

When the images is now placed on a plane Fusion add a new entry in the file browser for the construction image. Now whats left is to scale the image to it's real world size. To do so I right click on the image in the file browser and select calibrate. Now I select two positions on the image where I know the exact size of and enter this size in the dialog that appears.

The result is a image in my model where I am able to sketch on. This technique helps in the modeling process to preview the building on the footprint and see if the part is really fitting in the real world.

makerjoint
makernema

The parts I designed comes in two variants. The first one is a mount with the motor fixed in one position and the second one has larger holes for the screws so that the motor can be moved for 1cm. This is to calibrate the axis to prevent bending of the rod.

fails

This results in several test prints. The overall problem is, that the tolerance of the printed material was often to hight and even this a modeled tolerance of 0.1mm on the teeth of the mounts. Thats why I had to reprint the model again and again and increase the tolerance of the part until it pressfit into the Makerbeam profile without any space between the mount the the aluminium profile.

xmotormount
xmotormount2

Setup the motor Arduino and ESC board

In our project we want to use a brushless motor to drive the mill. Because the motor is controlled by an ESC controller I first want to give the motor a test drive to be sure that it can be handled later in the project.

motor_test

Below is the test code the initialize the ESC of the brushless motor. I hooked up a Arduino to a potentiometer and a brushless motor.


#include  // include the servo library

Servo servo;  // create servo object

unsigned long starttime;
unsigned long interval = 100000; //Intervall in Mikrosekunden
int val = 25; // Current value

void setup(){
  Serial.begin(115200); // initialize the serial connection for debugging
  starttime = micros(); // remember the start time
  servo.attach(3);  // init the pwm on port 3
  servo.write(25); //Is used to init the ESC
  delay(2000);  // wait the seconds
}

void loop(){
  if ((micros()- starttime) >= interval){
    servo.write(val); // set the value of the motor
    Serial.println(val);
    starttime = micros();
  }
  val = map(analogRead(A0), 0, 1023, 30, 110);
  servo.write(val);
}

The result was that after the initialization I can be control the speed of the motor by the potentiometer. I also opened the serial monitor to plot the current value of the motor speed.

Download section parts I made

At last here are the parts beside the Makerbeam I designed on my own.

Nema17 Makerbeam mount f3d (Fusion360) download
Nema17 Makerbeam mount stl download
Nema17 Makerbeam mount 1cm versatile f3d (Fusion360) download
Nema17 Makerbeam mount 1cm versatile stl download